component
Description
Create a component object from a pcbFileRead
object.
A pcb component is an individual item such as a resistor, capacitor, IC.
Creation
Description
componentobj = component()
creates a pcbBoard,'ComponentName')component object from a pcbFileRadObject and
a ComponentName.
Input Arguments
This property is read-only.
pcbBoard property holds
pcbReadFileobject.
Data Types: string
Create a component object of a specified
ComponentName.
Example: pcbFileRead(pcbfile);component(pfileobject,'ComponentName')
Data Types: string
Properties
This property is read-only.
Part name of the component.
Example: 'IC6ANT'
Data Types: string
This property is read-only.
Component type such as 'IC', 'Resistor',
'Capacitor'.
Example: 'IC'
Data Types: string
This property is read-only.
The number of pins of the component.
Example: 6
Data Types: string
This property is read-only.
The value of the component such as resistance, or
capacitance.
Example: 50 ohms
Data Types: double
This property is read-only.
The surface of the pcb on which the component is mounted,
Example: 'TOP'
Data Types: string
This property is read-only.
Table of component pin information.
Component Pin Information
| Name | Information |
|---|---|
| PinIndex | The index of each pin |
| PinNumber | Pin number of a pin |
| PadStackName | The name of the padstack in which the pin is grouped |
| Cadnet | The name of the cadnet in which the pin is located |
| MountLayerNumber | Layer number in which the pin is mounted |
| MountLayerName | Layer name in which the pin is mounted |
| LayerHeight | The height of the layer from the bottom |
Object Functions
shapes | Shapes |
componentPinData | Pin data |
Examples
This example shows how to read an Allegro file and create a pcbFileRead object. After this the following opertations will be executed:
Create layer, cadnet, padstack, part, and component objects form the pcbFileRead object
Create a powerDistributionNetwork object from the cadnet object
Set the properties of the powerDistributionNetwork object for voltage and current density anlysis
Analyse and visualize the voltage and current density
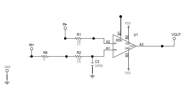
Here is the circuit:

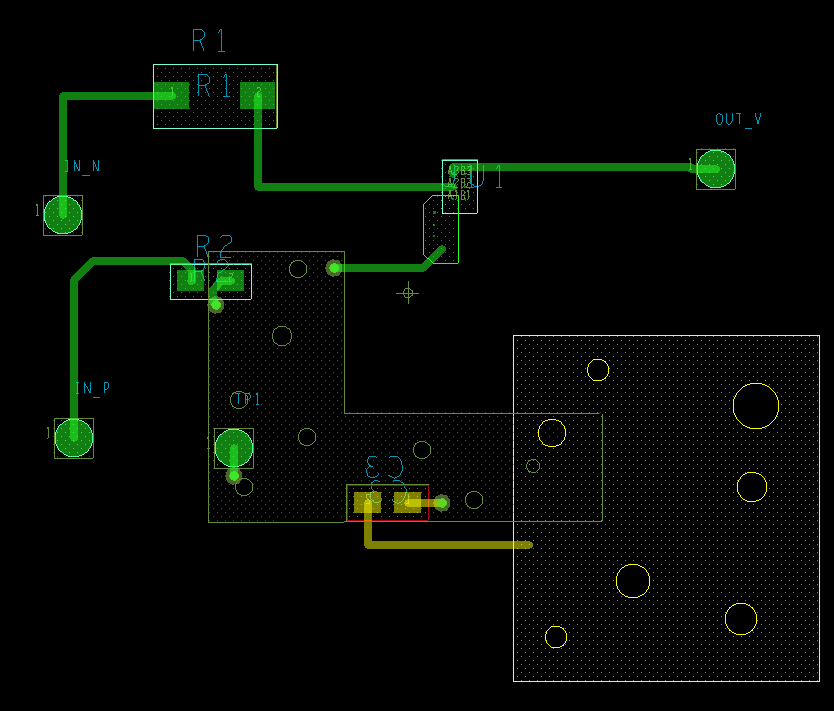
Here is the pcb layout:

Read file
Read a native format Allegro file and look at the propeties of the pcb
pfile = pcbFileRead('native_ExampleBoard_Allegro')pfile =
pcbFileRead with properties:
FileName: 'native_ExampleBoard_Allegro'
NumLayers: 5
MetalLayer: [1 3 5]
DielectricLayer: [2 4]
LayerHeight: [0.0184 0.0104 0.0092 0.0012 0]
NumCadnets: 7
NumPadStacks: 6
NumComponents: 8
NumParts: 5
cadnetList(pfile)
ans=7×4 table
CadnetIdx CadnetName NumPins Length
_________ ___________________ _______ ______
1 {'Unconnected_Net'} 3 0
2 {'NET_OUTV' } 2 0.615
3 {'NET_GND' } 1 0.46
4 {'NET_IN22' } 2 0.645
5 {'NET_IN11' } 4 0.488
6 {'NET_INNEG' } 2 0.515
7 {'NET_INPOS' } 2 0.676
componentList(pfile)
ans=8×3 table
ComponentIdx ComponentName NumPins
____________ _____________ _______
1 {'OUT_V'} 1
2 {'U1' } 6
3 {'C3' } 2
4 {'R1' } 2
5 {'TP1' } 1
6 {'R2' } 2
7 {'IN_N' } 1
8 {'IN_P' } 1
partList(pfile)
ans=5×2 table
PartIdx PartName
_______ _______________
1 {'IOSINGLEPIN'}
2 {'IC6ANT' }
3 {'CAPGEN080' }
4 {'RESGENH40' }
5 {'RESGEN080' }
padStackList(pfile)
ans=6×2 table
PadstackIdx PadstackName
___________ ____________________
1 {'MHYCIRCLE009' }
2 {'MHYC012' }
3 {'MHYRECT46X59' }
4 {'MHYRECT80X60H40' }
5 {'VIA' }
6 {'MHYRECT46X59_TOP'}
stackUp(pfile)
ans=5×8 table
LayerNumber LayerName LayerType Material Thickness EpsilonR LossTangent Conductivity
___________ ______________ ______________ __________ _________ ________ ___________ ____________
1 {'TOP' } {'Signal' } {'COPPER'} 0.0012 1 0 5.96e+07
2 {'Dielectric'} {'Dielectric'} {'FR-4' } 0.008 4.5 0.035 0
3 {'LAYER2' } {'Plane' } {'COPPER'} 0.0012 1 0 5.96e+07
4 {'Dielectric'} {'Dielectric'} {'FR-4' } 0.008 4.5 0.035 0
5 {'BOTTOM' } {'Signal' } {'COPPER'} 0.0012 1 0 5.96e+07
Create layer object
Create and visualize a layer object
layerobj = layer(pfile,1,Type= 'All')layerobj =
layer with properties:
pcBoard: [1×1 pcbFileRead]
LayerNumber: 1
Type: "All"
LayerHeight: 0.0184
NumSurfaces: 1
NumPins: 14
NumVias: 4
NumTraces: []
EntityList: [1×1 struct]
show(layerobj)

Create a cadnet object
Create cadnet object and look at it data
cadobj = cadnet(pfile,'NET_IN11')cadobj =
cadnet with properties:
pcBoard: [1×1 pcbFileRead]
CadnetName: 'NET_IN11'
NumPins: 4
NumSurfaces: 2
NumVias: 4
NumTraces: 4
TotalLength: 0.4880
Voltage: 'NoDef'
LayerRange: [1 3 5]
EntityList: [1×1 struct]
figure show(cadobj)

Create a padstack object
Create a padstack object and look at its data
stackobj = padStack(pfile,'MHYC012')stackobj =
padStack with properties:
pcBoard: [1×1 pcbFileRead]
PadStackName: 'MHYC012'
PadType: 'Pin'
PadShape: 'Circle'
NumPads: 6
PadCenter: [6×2 double]
HoleDiameter: 0
PadDiameter: 0.0120
PinPadInfo: [6×8 table]
shapes(stackobj)
ans=6×1 cell array
{1×1 antenna.Polygon}
{1×1 antenna.Polygon}
{1×1 antenna.Polygon}
{1×1 antenna.Polygon}
{1×1 antenna.Polygon}
{1×1 antenna.Polygon}
Create a part object
Create a part object and look at its data
partobj = part(pfile,"IC6ANT")partobj =
part with properties:
pcBoard: [1×1 pcbFileRead]
PartName: 'IC6ANT'
NumComponents: 1
ComponentInfo: [1×7 table]
componentData(partobj)
ans =
component with properties:
pcBoard: [1×1 pcbFileRead]
ComponentName: 'U1'
PartName: 'IC6ANT'
ComponentType: 'IC'
NumPins: 6
Value: ''
Facement: 'TOP'
ComponentPinInfo: [6×7 table]
Create component object
Create a component object and look at its pin data
componentobj = component(pfile,'U1')componentobj =
component with properties:
pcBoard: [1×1 pcbFileRead]
ComponentName: 'U1'
PartName: 'IC6ANT'
ComponentType: 'IC'
NumPins: 6
Value: ''
Facement: 'TOP'
ComponentPinInfo: [6×7 table]
componentPinData(componentobj,1)
ans =
pinsData with properties:
PinShape: 'Circle'
PartNumber: 'IC6ANT'
Component: 'U1'
PinNumber: 'A3'
Value: ''
PadStack: 'MHYC012'
CadnetName: 'NET_OUTV'
StartLayer: 1
StopLayer: 1
Circular pin dimensions:
Center: [0.1010 0.2690]
Diameter: 0.0120
DrillHoleDiameter: 0
Create a power distribution network object
Create a power distribution network object from a cadnet object. After this the following operations can be performed:
Set up the the Network Parameters, DC Parameters, and DC Rules properties of the power distribution network for power integrity analysis
Analyse and visualize the voltage and current desnsity of the power distribution network
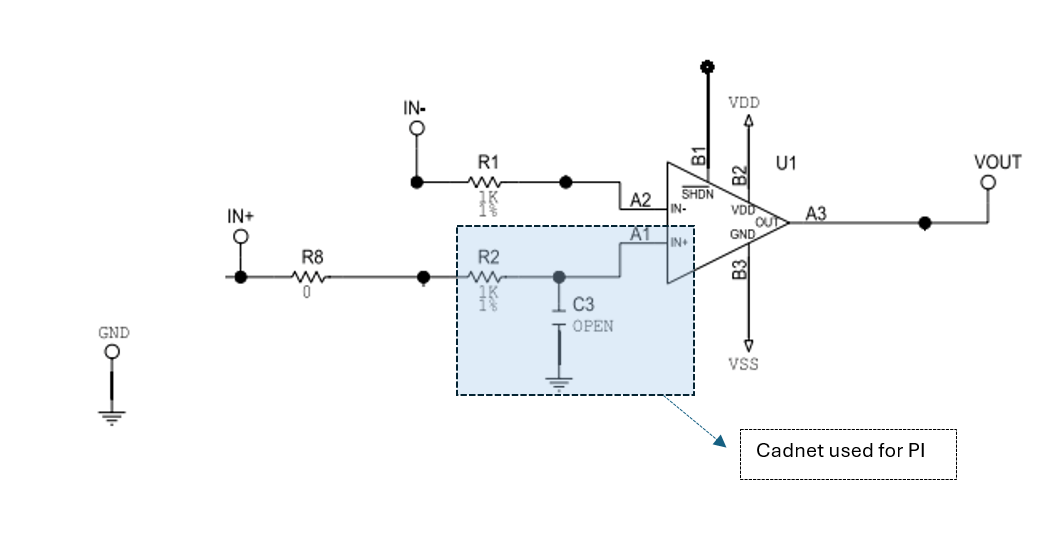
Here is the cadnet for power integrity analysis

pdnobj = powerDistributionNetwork(cadobj)
pdnobj =
powerDistributionNetwork with properties:
Network Parameters:
NetType: [1×1 cadnet]
Source: []
Load: []
Sense: []
PlatingThickness: []
DC Parameters:
NominalVoltage: []
LoadCurrent: []
DC Rules
MaxCurrentDensity: []
MinVoltage: []
MaxVoltage: []
MaxViaCurrent: []
To Analyse PDN:
Set Network Parameters: setNetworkParameters
Set DC Parameters: setDCParameters
Set DC Rules: setDCRules
Find the pins connected to the cadnet using the findComponents function
ConnPins = findComponents(cadobj)
ConnPins=4×5 table
ComponentIndex Refdes PinList ComponentType Part
______________ ______ _______ ______________ _______________
1 "C3" "1" {'Capacitor' } {'CAPGEN080' }
2 "R2" "2" {'Resistor' } {'RESGEN080' }
3 "TP1" "1" {'Test Point'} {'IOSINGLEPIN'}
4 "U1" "A1" {'IC' } {'IC6ANT' }
in = ConnPins.Refdes(2); out = [ConnPins.Refdes(1),ConnPins.Refdes(4)]; SensePin = ConnPins.Refdes(3);
Set the network parameters
setNetworkParameters(pdnobj,Source=in,Load=out,Sense=SensePin,PlatingThickness=0.0003);
powerDistributionNetwork with properties:
Network Parameters:
NetType: [1×1 cadnet]
Source: "R2"
Load: ["C3" "U1"]
Sense: "TP1"
PlatingThickness: 3.0000e-04
DC Parameters:
NominalVoltage: []
LoadCurrent: []
DC Rules
MaxCurrentDensity: []
MinVoltage: []
MaxVoltage: []
MaxViaCurrent: []
To Analyse PDN:
Set DC Parameters: setDCParameters
Set DC Rules: setDCRules
Set the DC parameters
setDCParameters(pdnobj,"LoadCurrent",[10e-3,10e-3],"NominalVoltage",2)
powerDistributionNetwork with properties:
Network Parameters:
NetType: [1×1 cadnet]
Source: "R2"
Load: ["C3" "U1"]
Sense: "TP1"
PlatingThickness: 3.0000e-04
DC Parameters:
NominalVoltage: 2
LoadCurrent: [0.0100 0.0100]
DC Rules
MaxCurrentDensity: []
MinVoltage: []
MaxVoltage: []
MaxViaCurrent: []
To Analyse PDN:
Set DC Rules: setDCRules
Set the DC rules
setDCRules(pdnobj,MinVoltage=1,MaxVoltage=2.00002,MaxCurrentDensity=4,MaxViaCurrent=2)
powerDistributionNetwork with properties:
Network Parameters:
NetType: [1×1 cadnet]
Source: "R2"
Load: ["C3" "U1"]
Sense: "TP1"
PlatingThickness: 3.0000e-04
DC Parameters:
NominalVoltage: 2
LoadCurrent: [0.0100 0.0100]
DC Rules
MaxCurrentDensity: 4
MinVoltage: 1
MaxVoltage: 2.0000
MaxViaCurrent: 2
Analyze voltage deviation
voltage(pdnobj);

Analyze current desnsity with direction enabled
current(pdnobj,Direction="on")
Version History
Introduced in R2025a
MATLAB Command
You clicked a link that corresponds to this MATLAB command:
Run the command by entering it in the MATLAB Command Window. Web browsers do not support MATLAB commands.
Select a Web Site
Choose a web site to get translated content where available and see local events and offers. Based on your location, we recommend that you select: .
You can also select a web site from the following list
How to Get Best Site Performance
Select the China site (in Chinese or English) for best site performance. Other MathWorks country sites are not optimized for visits from your location.
Americas
- América Latina (Español)
- Canada (English)
- United States (English)
Europe
- Belgium (English)
- Denmark (English)
- Deutschland (Deutsch)
- España (Español)
- Finland (English)
- France (Français)
- Ireland (English)
- Italia (Italiano)
- Luxembourg (English)
- Netherlands (English)
- Norway (English)
- Österreich (Deutsch)
- Portugal (English)
- Sweden (English)
- Switzerland
- United Kingdom (English)