magball
Simulink Model
The Simulink® model magball includes the nonlinear Magnetic Ball
Plant in a single-loop feedback system.

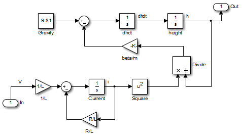
The Magnetic Ball Plant subsystem is shown in the following figure.

The Magnetic Ball Plant model represents an iron ball of mass M. This ball moves under the influence of the gravitational force, Mg, and an induced magnetic force, . The presence of the squared term in the induced magnetic force results in a nonlinear plant.
The inductor in the electric circuit, shown in the following figure, causes the induced magnetic force. This circuit also includes a voltage source and a resistor.

The following table describes the variables, parameters, differential equations, states, inputs, and outputs of the Magnetic Ball Plant subsystem.
| Variables | h is the height of the ball. i is the current. V is the voltage in the circuit. |
| Parameters | M is the mass of the ball. g is the gravitational acceleration. β is a constant related to the magnetic force. L is the inductance of the coil. R is the resistance of the circuit. |
| Differential equations | The height of the ball, h, is described in the following equation: The current in the circuit, i, is described in the following equation: |
| States | h dh/dt i |
| Inputs | V |
| Outputs | h |